CILINDROS

CILINDRO SEGURIDAD DS15 35X35 LATON
PLUMILLA
CILINDRO SEGURIDAD DS15 35X35 LATONPLUMILLA

CILINDRO SEGURIDAD DS15 35X35 LATON

EZCURRA

19.55€

IVA incluido

Cantidad

Disponibilidad
En breve
Preguntar disponibilidad

Referencia EZCURRADS1570C

Compartir   Compartir
  • Descripción Descripción
  • Códigos Códigos
  • Disponibilidad Disponibilidad
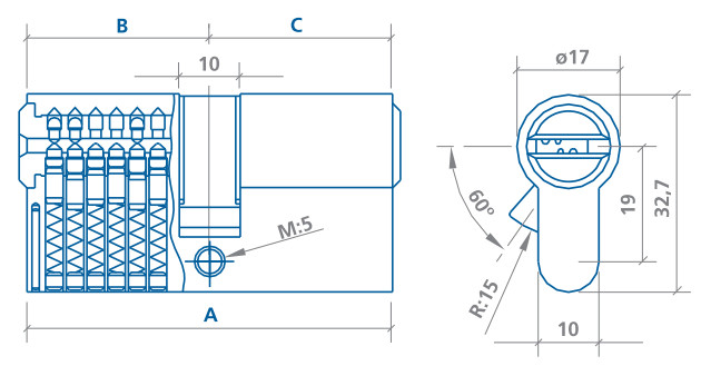
  • Cilindro seguridad europerfil DS-15.
  • Medidas: (A): 70 mm. (B) + (C): 35 mm x 35 mm. 
  • Acabado latonado.
  • Accesorios

    Productos equivalentes