CILINDROS

CILINDRO SEGURIDAD DS15 30x30 MM LATON
PLUMILLA
CILINDRO SEGURIDAD DS15 30x30 MM LATONPLUMILLA

CILINDRO SEGURIDAD DS15 30x30 MM LATON

EZCURRA

14.52€

IVA incluido

Cantidad

Disponibilidad
En breve
Preguntar disponibilidad

Referencia EZCURRADS1560C

Compartir   Compartir
  • Descripción Descripción
  • Códigos Códigos
  • Disponibilidad Disponibilidad
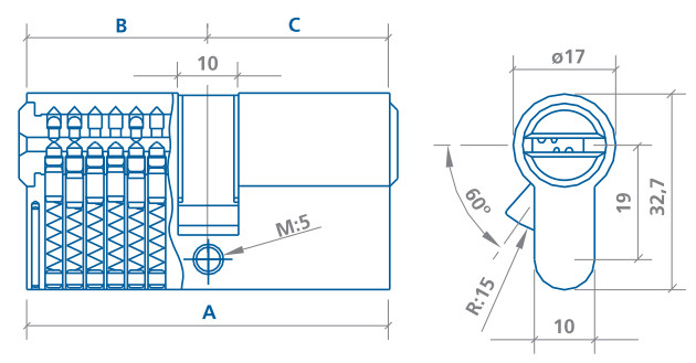
  • Cilindro seguridad europerfil DS-15.
  • Medidas: (A): 60 mm. (B) + (C): 30 mm x 30 mm. 
  • Acabado latonado.
  • Accesorios

    Productos equivalentes